АО "Берг АБ"
Телефон: +7(495) 223-30-70
e-mail: skf@bergab.ru
Каретка профильной роликовой направляющей MG25SCQ3P2 Rosa Sistemi
Профильные роликовые направляющие Rosa Sistemi
| Обозначение: | MG25SCQ3P2 Rosa Sistemi |
| Вес кг: | 0.6 |
| Размер (dxDxh) мм: | |
| Бренд: | Rosa Sistemi |
Профильные роликовые направляющие MG25SCQ3P2 представляют собой надежную и точную систему линейного перемещения, которая находит широкое применение в различных отраслях промышленности. Использование роликов вместо шариков дает повышенную грузоподъемность при компактных размерах. Их высокая точность, низкий коэффициент трения, длительный срок службы и способность выдерживать значительные нагрузки делают их идеальными для использования в системах, требующих высокой надежности и точности.
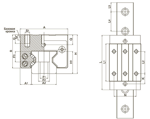
Каретка профильных рельсовых роликовых направляющих
Для рельса размера - 25
Тип каретки - SC - узкая и короткая
Класс точности - Q3
Класс преднатяга - P2
Размерности
Высота B, мм - 33.5
Ширина A, мм - 48
Длина L, мм - 90.2
Грузоподъемности
C, Н - 28700
C0, Н - 57600
Допустимые моменты, Нм
Mt, Нм - 431
Mt0, Нм - 863
ML, Нм - 285
MIO, Нм - 570
Производство Rosa Sistemi (Италия)
MG Monoguide
recirculating linear rollers bearing (pdf-каталог)
- HW15 x 36 Rosa Sistemi
- MG 25 L=2500 Q3 Rosa Sistemi
- MG25SCQ3P2 Rosa Sistemi
- EHA33-23M30N
- ST7150 25x090 STEINEL
Отзывы о MG25SCQ3P2 Rosa Sistemi
Здесь пока нет отзывов. Оставьте отзыв первым.



Цена действительна только для товаров из наличия при заказе через интернет-магазин на условиях самовывоза