АО "Берг АБ"
Телефон: +7(495) 223-30-70
e-mail: skf@bergab.ru
Профильная роликовая направляющая MG 65 LL Q3 P2 Rosa Sistemi
Профильные роликовые направляющие Rosa Sistemi
| Обозначение: | MG 65 LL Q3 P2 Rosa Sistemi |
| Вес кг: | 13.5 |
| Размер (dxDxh) мм: | |
| Бренд: | Rosa Sistemi |
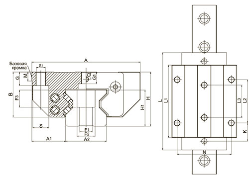
Каретка профильных рельсовых роликовых направляющих.
Подходит для применения в оборудовании, где необходима максимальная жесткость крепления во всех направлениях. Она имеет форму призмы и совместима с рельсами 65 типоразмера. Внутри каретки находятся 4 ряда роликов, которые обеспечивают равномерную грузоподъемность во всех направлениях. Отверстия для смазки находятся с обоих торцов каретки.
Для рельса размера - 65
Тип каретки - LL - широкая и длинная
Класс точности - Q3
Класс преднатяга - P2
Размерности
Высота B, мм - 78
Ширина A, мм - 170
Длина L, мм - 272.3
Грузоподъемности
C, Н - 276000
C0, Н - 579000
Допустимые моменты, Нм
Mt, Нм - 10530
Mt0, Нм - 22100
ML, Нм - 8980
MIO, Нм - 11840
Производство Rosa Sistemi (Италия)
- SD16x5R
- MG 55 SL Q3 P2 Rosa Sistemi
- MG 65 LL Q3 P2 Rosa Sistemi
- MG 65 SL Q3 P2 Rosa Sistemi
- MG 35 L= 4000 mm Q3 Rosa Sistemi
Отзывы о MG 65 LL Q3 P2 Rosa Sistemi
Здесь пока нет отзывов. Оставьте отзыв первым.



Цена действительна только для товаров из наличия при заказе через интернет-магазин на условиях самовывоза