АО "Берг АБ"
Телефон: +7(495) 223-30-70
e-mail: skf@bergab.ru
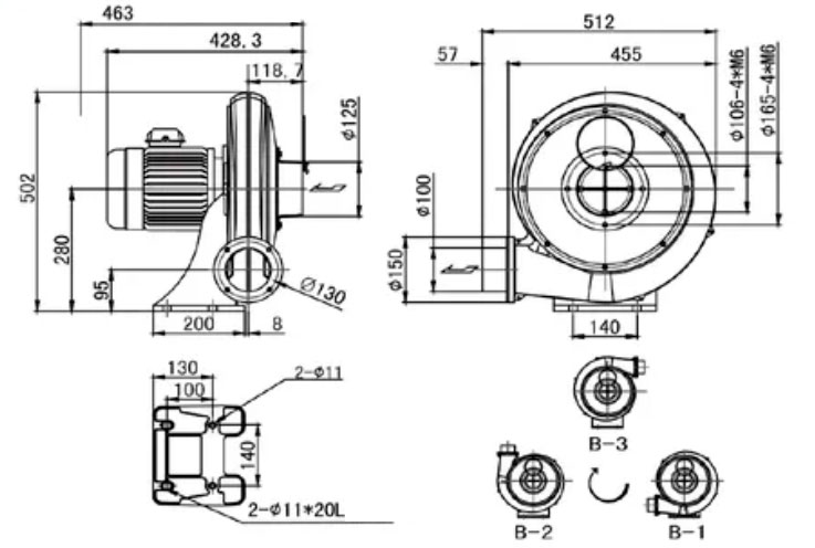
Вентилятор среднего давления 08XZ-100P (CX-100A )
Вентиляторы среднего давления серии 08
| Обозначение: | 08XZ-100P (CX-100A ) |
| Производительность, м3/мин | 20/23 |
| Полное давление, Па | 2100 |
| Напряжение, В | 220/380 |
| Частота, Гц | 300 |
| Потребляемая мощность, кВт | 1.5 |
| Масса, кг | 28 |
Центробежный вентилятор среднего давления
- 6202-Z ZWZ
- 6228-2RS ZWZ
- 08XZ-100P (CX-100A )
- 22211CA/C3W33 TK
- 22211CA/W33 TK
Отзывы о 08XZ-100P (CX-100A )
Здесь пока нет отзывов. Оставьте отзыв первым.


Цена действительна только для товаров из наличия при заказе через интернет-магазин на условиях самовывоза